锻钢法兰端闸阀


锻钢法兰端闸阀 150Lb~600Lb
标准材质细表
| 序号 | 零件名称 | CS to ASTM |
AS to ASTM |
SS to ASTM | |
| Type A105 | Type F22 | Type F304(L) | Type F316(L) | ||
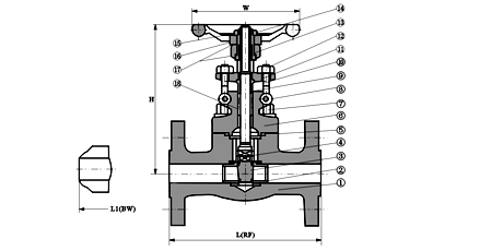
| 1 | 阀体 | A105 | A182 F22 | A182 F304(L) | A182 F316(L) |
| 2 | 阀座 | A276 420 | A276 304 | A276 304(L) | A276 316(L) |
| 3 | 闸板 | A276 410 & 430 | A182 F304 | A182 F304(L) | A182 F316(L) |
| 4 | 阀杆 | A182 F6 | A182 F304 | A182 F304(L) | A182 F316(L) |
| 5 | 垫片 | 316夹柔性石墨 | 316夹PIFE | ||
| 6 | 阀盖 | A105 | A182 F22 | A182 F304(L) | A182 F316(l) |
| 7 | 螺栓 | A193 B7 | A193 B16 | A193 B8 | A193 B8M |
| 8 | 销钉 | A276 420 | A276 304 | ||
| 9 | 填料压套 | A276 410 | A182 F304(L) | A182 F316(L) | |
| 10 | 活节螺栓 | A193 B7 | A193 B16 | A193 B8 | A193 B8M |
| 11 | 填料压板 | A105 | A182 F11 | A182 F304(L) | A182 F316(L) |
| 12 | 螺母 | A194 2H | A194 4 | A194 8 | A194 8M |
| 13 | 阀杆螺母 | A276 410 | |||
| 14 | 锁紧螺母 | A194 2H | A194 4 | A194 8 | A194 8M |
| 15 | 铭牌 | SS | |||
| 16 | 手轮 | A197 | |||
| 17 | 润滑垫片 | A473 431 | |||
| 18 | 填料 | Flexible Graphite | PTFE | ||
| 适用介质 | 水、蒸汽、油品等 | 水、蒸汽、油品等 | 硝酸、醋酸等 | ||
| 适用温度 | -29℃~425℃ | -29℃~550℃ | -29℃~180℃ | ||
CS=碳钢;AS=合金钢;SS=不锈钢;
尺寸(mm)和重量(kg) NPS 1/2" 3/4" 1" 11/4" 11/2" 2"
| L(RF) L1(BW) |
150Lb | 108 | 117 | 127 | 140 | 165 | 203 | |
| 300Lb | 140 | 152 | 165 | 178 | 190 | 216 | ||
| 600Lb | 165 | 190 | 216 | 229 | 241 | 292 | ||
| H | 150Lb~300Lb | 158 | 169 | 197 | 236 | 246 | 283 | |
| 600Lb | 169 | 197 | 236 | 246 | 283 | 320 | ||
| W | 100 | 100 | 125 | 160 | 160 | 180 | ||
| 重量 | 150Lb | RTJ | 4.5 | 5.2 | 8.2 | 11.5 | 12.5 | 20.3 |
| BW | 2.8 | 3.3 | 5.4 | 7.1 | 8.2 | 12.5 | ||
| 300Lb | RTJ | 4.8 | 6.2 | 9.3 | 14 | 15.5 | 23.4 | |
| BW | 3.5 | 4.4 | 6.8 | 8.1 | 9.2 | 15.4 | ||
| 600Lb | RTJ | 5.9 | 7.4 | 10.4 | 16.2 | 17.5 | 28.3 | |
| BW | 4.5 | 5.1 | 8.2 | 10.5 | 12.4 | 20.1 | ||
|
|
|
| 序号 | 零件名称 | CS to ASTM |
AS to ASTM |
SS to ASTM | |
| Type A105 | Type F22 | Type F304(L) | Type F316(L) | ||
| 1 | 阀体 | A105 | A182 F22 | A182 F304(L) | A182 F316(L) |
| 2 | 阀座 | A276 420 | A276 304 | A276 304(L) | A276 316(L) |
| 3 | 闸板 | A276 410 & 430 | A182 F304 | A182 F304(L) | A182 F316(L) |
| 4 | 阀杆 | A182 F6 | A182 F304 | A182 F304(L) | A182 F316(L) |
| 5 | 垫片 | Corrugated SS+graphite | SS+PTFE | ||
| 6 | 阀盖 | A105 | A182 F22 | A182 F304(L) | A182 F316(L) |
| 7 | 螺栓 | A193 B7 | A193 B16 | A193 B8 | A193 B8M |
| 8 | 销钉 | A276 420 | A276 304 | ||
| 9 | 填料压套 | A276 410 | A182 F304(L) | A182 F316(L) | |
| 10 | 活节螺栓 | A193 B7 | A193 B16 | A193 B8 | A193 B8M |
| 11 | 填料压板 | A105 | A182 F11 | A182 F304(L) | A182 F316(L) |
| 12 | 螺母 | A194 2H | A194 4 | A194 8 | A194 8M |
| 13 | 阀杆螺母 | A276 420 | |||
| 14 | 锁紧螺母 | A194 2H | A194 4 | A194 8 | A194 8M |
| 15 | 铭牌 | SS | |||
| 16 | 手轮 | A197 | |||
| 17 | 润滑垫片 | A473 431 | |||
| 18 | 填料 | Flexible Graphite | PTFE | ||
| 适用介质 | 水、蒸汽、油品等 | 水、蒸汽、油品等 | 硝酸、醋酸等 | ||
| 适用温度 | -29℃~425℃ | -29℃~550℃ | -29℃~180℃ | ||
CS=碳钢;AS=合金钢;SS=不锈钢;
尺寸(mm)和重量(kg)
| NPS | 1/2" | 3/4" | 1" | 11/2" | 11/4" | 2" | |
| L(RTJ) | 900Lb~1500Lb | 216 | 229 | 254 | 279 | 305 | 371 |
| L1(BW) | 900Lb~1500Lb | 216 | 229 | 254 | 279 | 305 | 368 |
| H(开) | 197 | 197 | 236 | 246 | 283 | 330 | |
| W | 125 | 125 | 160 | 160 | 180 | 200 | |
| 重量 | RTJ | 7.2 | 11.5 | 15.6 | 16.2 | 22.6 | 32.8 |
| BW | 5.2 | 9.3 | 12.4 | 13.8 | 18.9 | 27.5 | |


+86-577-86930089